Identify the switch in the given picture
What is the process of formally introducing oneself calledā¦
Why the A.C drives are mostly used in process plant?
CC in email means ------------------
Identify the conventional symbol of material?
Which type of power plant is more efficient?
Writing emails, letters, memos, orders, filling forms, minutes, contracts, proposals and quotations are examples of ------------------ workplace communication.
The centre of gravity of a circle lies
The centre of gravity of a circle lies
What is the name of the symbol?
What is the disadvantage of DC drive?
What is the effect of pinch-off voltage in JFET?
What is the name of the material used for making photovoltaic cell?
Name the constituent marked as Xā of the schematic arrangement of hydro electric plant
What is the function of limit switch in control panel wiring?
Which device controls the operations in sequential control systems?
Workplace etiquette means toā¦ā¦
Which power modulator used in the electric drive system?
Which of the following statements shows good teamwork?
What is the type of amplifier circuit?
How the decimal number can be converted into binary number?
What is the first step of avoiding accident in workplace?
The electronic form of formal written communication that can be sent through the internet to many people across the world is called --------------.
Which oscillator provides high accurate stable frequency?
Self-reflection is the process of ------------
How the sparking on the aluminium cored conductors binding joints can be prevented?
What is the name of the insulator used in O.H lines?
What is the use of PVC channel in a control panel wiring?
Which code indicates silicon semiconductor diode?
Which quadrant operation of SCR delivers heavy current in reverse biasing?
A quick summary of yourself is called an -----------------
What is the full form of abbreviation UPS?
What is the purpose of barrage in tidal power station?
Which term describes using things in a way that can last for a long time without causing harm?
Value of acceleration due to gravity is-
The most effective way of formal communication is ----------- -----------.
How can users access the Skill India Digital Platform
Which power generation requires heavy water treatment plant?
What is the effect in internal resistance of a discharged cell?
What is the main application of a Field Effect Transistor (FET)?
Which is the non conventional power generation?
What is the name of circuit breaker?
Which of the following are good work habits?
Which type of A.C transmission is universally adopted?
Which one of the following geometrical shapeʹs centre of gravity lies from its base is 1/3 of its height?
What is the basic need for people at workplace to communicate?
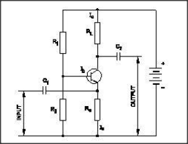
What is the name of amplifier?
Simi is always trying out new ways to reuse the waste materials. She is the _____
Which is useful friction?
What is called a media presentation shared over the Internet?
What is the defect in a oil circuit breaker if the oil heats up excessively?
Raj is a talented carpenter. How can showing his work on YouTube help Raj?
Identify the conventional symbol of material?
which device protects from overload and short circuit in a panel board?
How the contacts in a contactor can be engaged for working?
Which device controls the speed of A.C motor in A.C drive?
which control system consumes very low power for motion control in AC and DC motors?
What is the name of the accessory used in control panel wiring?
What is the name of the insulator?
Which is the law of friction?
what is the name of the relay
Identify the given symbol
Once we enter a workplace, our communication has to be ______.
What are the important stages in a simple inverter?
Every time you --------- an email, try to ------------- something from it.
Applications and services offered over the internet are called ------------
What is the advantage of non conventional power generation?
Which of the following best describes the gig economy?
benefit of self-employment?
Which is the static machine that increase or decrease the AC voltage
What are some advantages of informal communication at the workplace?