spoken communication is usually not only_______but also_______
What is the name of the equipment?
What is the name of the part marked 'X' in the DC generator?
Which winding wire is used for DC field coil?
Which energy is converted into electrical energy by generator?
Participants in live seminars and discussions can ------------- ------- when it is enabled.
What help us to maintain the balance between mental and physical activities?
Which type of D.C Generator works in absence of residual magnetism?
Giving information in a manner that does not attack a person, but brings possible changes to the behaviour is called ------------------
What is the temperature value of class 'F' insulation?
Which speed control method of D.C series motor is used for electric train?
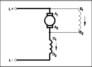
What is the name of D.C generator?
Which rule is used to find direction of the magnetic field?
Identify the given symbol
How will you disagree politely?
What is the formula for (a-b)²?
What is the name of the part of DC generator?
What is the property of wave winding in D.C generator?
Which insulating material belongs to class ‘B’ insulation?
When you start a discussion on a topic, what do you say?
Rainwater harvesting ---------------------- to prevent water scarcity
Which instrument is used to test armature winding for short and open circuit?
How interpoles are connected in a DC generator?
Which symbol is used to express change in length?
When you meet the instructor inside or outside the ITI, it is - -----------.
Complete the sentence with suitable describing words There is a factory in the area. The air is ________.
Which is the most effective method of balancing armature?
What is the name of the gate
In a computer …………. performs calculations and takes all the decisions.
What is the name of the symbol?
Role models --------------------------- people to follow them.
Magnificent, large, thin, lengthy, square, bright, sharp, hard – are examples of
Which rule determines the direction of rotation of armature in D.C motor?
What is the function of split rings in a DC generator?
Why DC generators are losing their residual magnetism?
Why compensating winding is provided in large DC generators?
Which voltage drop is indicated in the portion marked as X
Why armature resistance of a D.C generator is very low?
Complete the sentence with suitable describing words There are ________ apartments in my neighbourhood
Name the type of DC motor.
What is the name of winding, if coil pitch is less than pole pitch?
What is the name of the speed control method of DC motor?
What is the purpose of pole shoe in a DC generator?
Which rule is used to find the direction of induced emf in a DC generator?
What is the value of root of 625?
When we work with others, it is called__________
Applications and services offered over the internet are called ------------
Which type of D.C generator is used for arc welding?
Why the armature core of a DC generator is laminated?
What is the value of a x a² x a³ x a⁴ ?
Which formula is used to calculate the generated emf in D.C generator?
Never send a reply to ………….. Email.
Taking decisions on your own, after carefully thinking about them is the quality of_______
Excel is used to ----------------------.
. What is the purpose of series resistor connected with holding coil in a D.C four point starter?
The immediate surroundings to the place you live in is called____
How many parallel paths in duplex lap winding of a 4 pole DC generator?
What is the name of the D.C. generator field?
Why the D.C generator should run in clockwise direction only?
Which type of DC generator is used for long distance distribution lines?
If you meet your supervisor in the grocery store, you will ---- --------.
which one is not an adventure?
The work undertaken by a person for a period of time is called______
What is the unit of strain?
What is the formula for dynamically induced emf?
What is the principle of D.C generator?
There is water scarcity in the locality. The area is -----------.
Always -------------- your mobile phone --------------- silent mode.
What is the name of the D.C generator?
What is the name of the part marked as X in DC generator?