What is the advantage of ac power transmission ?
Identify the type of switch?
which is a frequency converter?
What is the value of root 625?
Calculate the speed of an alternator having 2 poles at a frequency of 50 Hz?
What is the name of the insulator?
Which instrument is used to measure insulation resistance of a 3 phase induction motor?
Which type of machine in industries is provided with multi motor electric drive?
What is the selling price, if the profit is 5% for a computer table bought at Rs.1150/- with Rs.50/- as a transport charge?
What is the name of circuit breaker?
What is the name of part “X” in given Figure?
What is transition in Power point presentations?
Value of acceleration due to gravity is-
How can you become self-employed?
What is the name of the part of alternator?
Read the below Electrical Signs or Symbols.
What is the formula for aᵐ x aⁿ?
Which type of relay can be operated at both A.C and D.C?
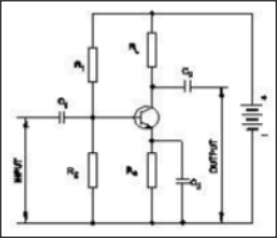
What is the type of amplifier?
What is the full form of UPS?
What is the unit of strain?
Which winding wire is used for DC field coil?
What is the working principle of single phase induction motor?
The conversion of computer data from one format to another is called………
Name the part of the DC generator?
Which type of instrument is used to test the armature winding?
What is the name called biggest chord of the circle?
Which type of DC motor is used in elevators?
Which of the following are included in a resume?
Which motor is used in table fan?
PowerPoint NOT allow us to……..
Which is equal to (a+b)²-(a-b)²?
Everest, the ----------------------- peak in the world, ----------- in Tibet.
How the control circuit voltage and power in a contractor are to be selected?
What is the centre of gravity of a rectangle ?
Which type of wire is used for rewinding of A.C 3 phase motors?
Read the below Electrical Signs or Symbols.
Read the below Electrical Signs or Symbols
Which method is used to improve the insulation resistance in a DC generator?
Which of the following statements shows good teamwork?
Rearrange the jumbled words to identify the correct option. ‘two, process, communication, way, is, a -----------------
Which letter indicates the compound material cadmium sulfide?
which device protects from overload and short circuit in a panel board?
Which energy is converted into electrical energy by generator?
The short cut key to copy the file is................
What is the formula for area of the circle?
What is the function of inverter?