Which is the unit of current?
Same situation people should be treated in the same way
Which of the following is an example of personal weakness
Feedback helps to________
Which part of a reamer is designed for the removal of chips?
What is the name of sign?
Which of the following websites are not popular for finding jobs?
Which file is having rows of teeth cut in one direction?
Which type of thread, the crest and roots are rounded to form a semi circle?
What is the name of the angle in the drill bit marked as x?
What is the name of part marked as x in surface gauge?
What is the name of vice?
Name the part marked as x .
Jobs that have become outdated in the past 5 years __________.
What does the symbol denotes?
Which one is NOT a vowel?
Information like date of birth, permanent address form a part of one’s __________ in the resume.
identify the name of set square
What is the name of the element marked as x of the thread?
Safety of employees is important because
Which is the immediate life saving procedure?
_______ is major changes takes place in manufacturing
identify the name of the instrument
A software application used to enable computer users to locate and access web page is called___________.
What is the name of part marked as X in hand reamer?
Which one is NOT an article
Which ore is used to extract zinc?
Which term indicates the difference between the maximum limit of size and minimum limit of size?
What helps YouTube suggest videos?
Which metal is used to manufacture magnets, ball bearing and cutting tool?
Which marking media provide clear lines on machine finished surfaces?
Which of these is a quality of an entrepreneur?
Choose suitable “wh” word for the given sentence. “___________ animal do you like?”
What is the full form of GST?
What is the name of the part marked as X
Which decides the point angle of drill?
What is the maximum swiveling angle of the compound rest in the lathe machine?
What is called for the amount of heat required to raise the temperature of unit mass of a substance through 1°C?
Identify the conventional symbol of material?
Which assembly technique is similar to riveting method?
What is the range of carbon content in cast iron alloy?
What is the ratio of force (or) thrust per unit area?
NAPS Stands for __________.
Name the part marked as x of the file.
What is the name of the vice?
Name the angular measuring instrument.
Convert - 273°C (Centigrade) into kelvin scale?
What is the included angle of metric V threads?
identify the conventional symbol of material ?
Which one is a poor heat insulator?
What is the name of V block?
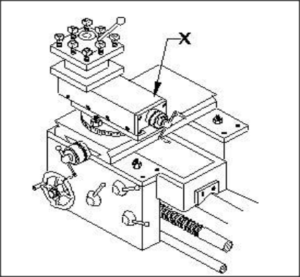
What is the name of part marked as X in centre lathe ?
: Which machine converts mechanical energy into electrical energy?
Which is the unit of resistance?
What is the boiling point of water in fahrenheit scale?
Which one is heat insulator?
What is the SI unit of pressure?
Which one has the highest thermal conductivity?
Which one is a good communication? (b) Receiver doesn't listen to sender
Paid form of ideas, goods and services are called
Name the part of file marked as x |
Which one is an exclamatory sentence
What is the flow of electrons in any conductor? |
As compared to small scale business, large scale business require _________.
What is known for the temperature at which any solid melts into liquid?
: What is the name of the part marked ‘X’ in the lathe carriage?
Which property of a substance is opposing the flow of electric current?
A program that infects other program by modifying them is called
What is called for the materials that restricts heat flow by radiation, conduction and convection?
Which chisel is used for cutting curved grooves?
After receiving interview call, what is the next step?