convert 52% into fraction .
Which of the following instrument can be used to draw accurate perpendicular lines, parallel lines and angular lines?
1st industrial revolution started in ________.
The part that doesn’t belong to T-square is ______
When is capital letter used?
Why breakage of teeth occur easily while sawing of thin walled work pieces and the start of cut?
Which property of a metal enables it by which it can be drawn out into wires under tension without rupture?
What metals contained in brass alloy?
Which shortcut key is used to underline the main headings of your resume?
Name the part marked as x of the file.
What is the name of parallel block?
Which metal contains iron as a major content?
What A denotes in ABC of first aid?
You have greeted the customer. Choose which of the following statements you should use to completethe greeting.
What is the material to manufacture bench vice?
What is the reading of a vernier caliper?
What is the minor diameter of thread?
How many millimetres are there in 1 inch?
What is the unit of feed in drilling operation?
Which property of material enables to formation of permanent deformation without fracture?
You withdraw Rs.500/- from an ATM. The ATM machine gives out Rs.5000/-. Which of the following wouldbe ethically correct?
What is the name of part marked as x in surface gauge?
_________ contains one or more worksheets
What is the unit of cutting speed in drilling operation?
Which is used for filling narrow grooves and angles above 10°?
How to stop bleeding of injured person?
Listening to Railway or Flight announcement, teacher’s lecture comes under ___________.
What is the colour code of bins for waste paper segregation? |
What is the square root of 529?
Pencils are graded according to the ____________ of the lead.
Which device is used to connect telephone line to a PC?
Which caliper is used to mark the centre of round bar?
The angle which we can’t make using a single Set-square is ____
What is the class of fire caused by fire wood, paper, cloth?
Read the measurement in the dial caliper
What is the name of furnace to obtained cast iron?
Jobs that have become outdated in the past 5 years __________.
For drawing circles with a large radius, which of the following tool is used?
What are the two classifications of system of units?
Which one is NOT a conjunction
Flammable of liquifiables solids are classified as.
As compared to small scale business, large scale business require _________.
Curriculum vitae is also known as
Which part of universal surface gauge holds the scriber?
Which among these are not good manners while travelling by public transport?
Which pitch of blade is used for cutting bronze, brass and cast iron?
Which of the following is softest pencil grade.
What is the accuracy of metric outside micrometer?
Which chisel is used for separating materials after chain drilling?
For marking angles, which of the following drawing tool is used?
What is the period referred as golden hours?
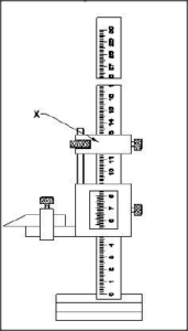
What is the name of the part marked as X
Information like date of birth, permanent address form a part of one’s __________ in the resume.
Which file is having rows of teeth cut in one direction?
Which is the instrument used to draw parallel lines fast?
Which is not the use of divider?
French curves are most importantly used to draw ___
How does ML improve performance?
Which of the following websites are not popular for finding jobs?
What is a shortcut key for “Copy” command?
__________ person is someone who works for a person/organization and gets paid for that work
Something is made of different types of units ___________.
What will be the effect if the clearance angle of chisel is less than recommended angle while chipping?
Gesture “Brisk and erect walking” shows ___________.
Which alloy steel is used to make permanent magnets?
What does 'M' stand for in SMART goal?
Which angle is represented by the symbol g on the cutting chisel?
What is the accuracy of a try square?
Which one is NOT a vowel?
Name the part of file marked as x .
Which is used to remove drills and sockets from the machine spindle?